Electric Wiring Diagrams

Electric Wiring Diagrams

Current Transformer (CT) Detail
Current Transformer (CT) Detail
Guard Post Detail
Guard Post Detail
Service General Del. Pt. Detail
Service General Del. Pt. Detail
Parks RV Site Camping Specs
Parks RV Site Camping Specs
Service Mobile Home Pole
Service Mobile Home Pole
Service Overhead Detail
Service Overhead Detail
Service Temporary for Construction
Service Temporary for Construction
Service 3PH Questionnaire
Service 3PH Questionnaire
Solar Detail SVC-DG-LS
Solar Detail SVC-DG-LS
Trench Detail
Trench Detail
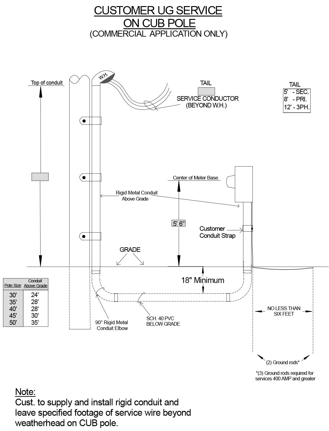
Service Underground Commercial Detail
Service Underground Commercial Detail
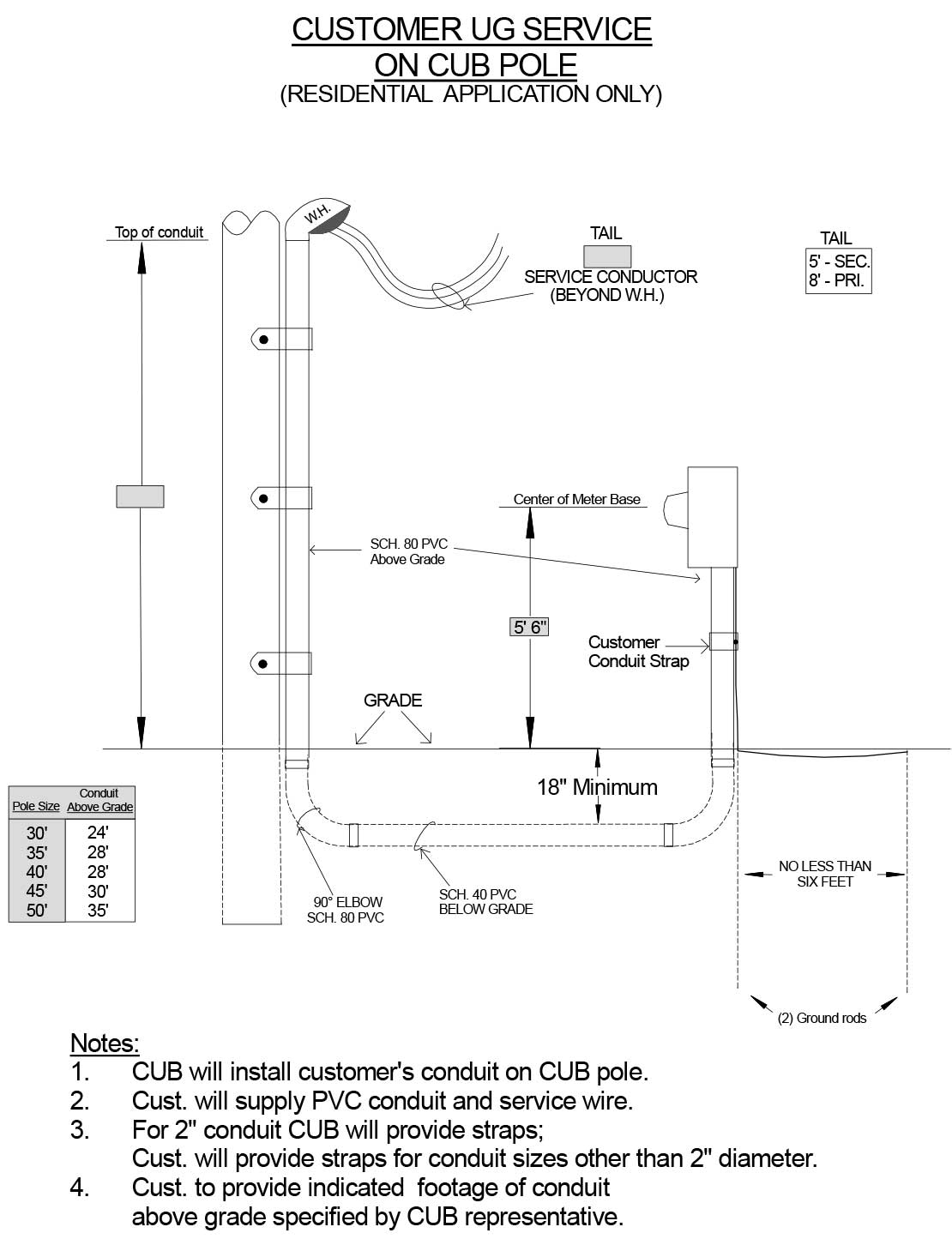
Service Underground Residential Detail
Service Underground Residential Detail